ROTOR DISC » RN1521
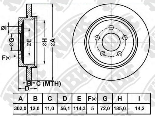
Specification
Type
Solid
Disc Thickness (Max)
12
Num. of holes
5
Height
56
Centering Diameter
72
Front/Rear
Rear
Outter Ø
302
Pitch Circle Ø
114.3
Drum Ø:
185
Disc Thickness (Min)
11
Structure Material
G3000
Cross Reference
FORD
4 659 167
FORD
4 753 054
FORD
4513092
FORD
4947737
FORD
5L84-2C026-AA
FORD
5L84-2C026-BA
FORD
5L8Z-2C026-AA
FORD
5L8Z-2C026-BA
FORD
5U2J-2C502-BA
FORD
5U2Z-1V125-P
FORD
5U2Z-1V125-Z
FORD
8L84-2C026-AA
FORD
BRF68
HI-Q
SD4448
MAZDA
EF91-26-251
MAZDA
EF91-26251-A
| years | Eng | Eng No | Body | Front Rotor | Front Brake | Rear Rotor | Rear Brake | Parking Shoe |
|---|
| 12.03~05.06 | 2300 | C23HDEX (145PS) | M1 | RN1519VRN1520V | PN5805PN0071 | RN1521DN1743 | PN5808FN3382 | FN0710 |
| 05.06~06.08 | 2300 | T23EDEF | M7 | RN1520V | PN0071 | RN1521 | PN5808 | FN0710 |
| 05.06~07.09 | 2300 | T23HDEX (145PS) | M7 | RN1519VRN1520V | PN5805PN0071 | RN1521DN1743 | FN3382PN5808 | FN0710 |
| 05.08~ | 2300 | T23HDEX (145PS) | R3 | RN1520V | PN0071 | RN1521 | PN5808 | FN0710 |
| 06.00~05.06 | 3000 | T30PDED | M1 | RN1519VRN1520V | PN0071PN5805 | DN1743RN1521 | PN5808FN3382 | FN0710 |
| 05.00~ | 2300 | CZ | RN1519VRN1520V | PN5805 | RN1521 | |||
| 01.04~06.07 | 2300 | T23HDEX (145PS) | 5DR WGN EU | RN1520VRN1519V | PN0071PN5805 | DN1743RN1521 | FN3382PN5808 | FN0710 |
| 05.00~02.04 | 3000 | AJ | CU | RN1520V | PN5805 | RN1521 | PN5808 | |
| 12.00~05.06 | 3000 | T30PDED | TM1 | RN1519VRN1520V | PN5805PN0071 | DN1743RN1521 | PN5808FN3382 | FN0710 |
| 05.06~01.07 | 3000 | T30PDED (203HP) | TM7 | RN1520VRN1519V | PN5805PN0071 | RN1521DN1743 | FN3382PN5808 | FN0710 |
| 09.00~01.05 | 2000 | YF | EP | RN1519V | PN5805 | RN1521 | PN5808FN3382 | |
| 01.07~01.12 | 2300 | L3 | EP2 | RN1520V | PN0071PN5805 | DN1744RN1521 | PN5808 | |
| 01.07~01.12 | 2500 | L5 | EP2 | RN1520V | PN5805PN0071 | RN1521DN1744 | PN5808 | |
| 01.07~01.12 | 3000 | AJ | EP2 | RN1520V | PN0071 | DN1744RN1521 | FN0804PN5808 | FN0710 |
| 10.00~01.07 | 3000 | AJ-DE | EP | RN1519VRN1520V | PN0071PN5805 | RN1521 | FN3382PN5808 | FN0710 |
